![图片[1]-电工的中间继电器接线图讲解-曙光学习苑](https://www.zgqtz.com/wp-content/uploads/2024/07/0000-300x300-1.jpg)
中间继电器端子标号太小很难查看,其实端子排列有规律,了解一下减少接线的麻烦。
![图片[2]-电工的中间继电器接线图讲解-曙光学习苑](https://www.zgqtz.com/wp-content/uploads/2022/11/040ab57195f305c9294cbb82372d8e1d-2.jpg)
8脚的底座:正方向最下一层的两个端子一般是线圈的接线端
![图片[3]-电工的中间继电器接线图讲解-曙光学习苑](https://www.zgqtz.com/wp-content/uploads/2022/11/86c2ae941f7f69c4d40c6ab1620d8f87-2.jpg)
14脚的底座最下层靠右的两个端子是线圈的接线端。和线圈端子在同一边,高一层的端子全是公共端。14脚底座:最左边的公共端子和对面同层端子组成常开,与同边异层端子组成常闭,如第四个图片所示。一条规律:同层是常开,异层是常闭。
![图片[4]-电工的中间继电器接线图讲解-曙光学习苑](https://www.zgqtz.com/wp-content/uploads/2022/11/f3d67082c6d96e5518902ea56887f3c7-1.jpg)
![图片[5]-电工的中间继电器接线图讲解-曙光学习苑](https://www.zgqtz.com/wp-content/uploads/2022/11/b6b15a549f77c20e9a3e446593770fe9-1.jpg)
公共端子和对面同层的端子组成常开触点,和对面异层的端子组成常闭触点。
断相与相序保护继电器接线图
它的外部接线其实很简单,按照上面标出的接线图接线即可。
![图片[6]-电工的中间继电器接线图讲解-曙光学习苑](https://www.zgqtz.com/wp-content/uploads/2022/11/254799061_8_20221028043805946.jpeg)
图2
如图2,即为接线图。1、2、3接线柱分别接三相电源,5、6接线柱为常开,7、8为常闭。一般在送电回路当中,用到其常开点,也就是接5、6两个接线柱。
![图片[7]-电工的中间继电器接线图讲解-曙光学习苑](https://www.zgqtz.com/wp-content/uploads/2022/11/254799061_9_2022102804380624.jpeg)
图3
图3,是龙门吊控制盘,此断相错相保护继电器用到的就是常开触点。将常开触点串联到龙门吊送电控制回路当中。如出现相序错误或者断相,龙门吊将无法送电。
![图片[8]-电工的中间继电器接线图讲解-曙光学习苑](https://www.zgqtz.com/wp-content/uploads/2022/11/254799061_10_20221028043806164.jpeg)
图4
图4,举例,如图,即是断相与相序保护继电器在自保电路中的接线方法。为了更直观,给电路标上红色,如下图。
![图片[9]-电工的中间继电器接线图讲解-曙光学习苑](https://www.zgqtz.com/wp-content/uploads/2022/11/254799061_11_20221028043806289.jpeg)
图5
如图5,合上断路器QF,如果电源相序正确,5、6接线柱之间常开触点闭合,使外部自保电路能够正常工作,按下启动按钮SB2接触器KM将能吸合。如果相序不对,5、6之间常开点无法闭合,按下启动按钮,由于回路不通,KM无法吸合,这时就需要将1、2、3接线柱上的三根相线任意调动两根,才能正常工作。
小型固态继电器的接线图小型固态继电器的接线图
![图片[10]-电工的中间继电器接线图讲解-曙光学习苑](https://www.zgqtz.com/wp-content/uploads/2022/11/254799061_12_20221028043806447.jpeg)
小型继电器实物接线图
![图片[11]-电工的中间继电器接线图讲解-曙光学习苑](https://www.zgqtz.com/wp-content/uploads/2022/11/254799061_13_20221028043806680.jpeg)
常用小型继电器原理及底座接线图
常用小型继电器有直流式和交流式,其外形一样,其触点一般为两组常开两组常闭或四组常开四组常闭,对应的插座也比较统一,但有时印刷的号码不是很清楚,为了使大家清晰的掌握对应接线关系,防止错接,现将其电器原理图和实物接线图提供给大家参考。
![图片[12]-电工的中间继电器接线图讲解-曙光学习苑](https://www.zgqtz.com/wp-content/uploads/2022/11/254799061_14_20221028043806789.jpeg)
注意事项:对于直流电源工作方式的继电器应将14号端子接正极,13号端子接负极,这样发光二极管才能亮,接反则不亮,当然接反了不也影响动作效果,但不利于维修检查。对于交流电源工作方式的继电器则没有极性之分,二极管一定亮。
220V小继电器实物接线图
![图片[13]-电工的中间继电器接线图讲解-曙光学习苑](https://www.zgqtz.com/wp-content/uploads/2022/11/254799061_15_20221028043806867.jpeg)
5脚继电器接线方法
12v五脚继电器接线图解
![图片[14]-电工的中间继电器接线图讲解-曙光学习苑](https://www.zgqtz.com/wp-content/uploads/2022/11/254799061_16_20221028043806961.jpeg)
继电器接线原理
接线原理:继电器一般都有能反映一定输入变量(如电流、电压、功率、阻抗、频率、温度、压力、速度、光等)的感应机构(输入部分);有能对被控电路实现“通”、“断”控制的执行机构(输出部分);在继电器的输入部分和输出部分之间,还有对输入量进行耦合隔离,功能处理和对输出部分进行驱动的中间机构(驱动部分)。
![图片[15]-电工的中间继电器接线图讲解-曙光学习苑](https://www.zgqtz.com/wp-content/uploads/2022/11/254799061_17_20221028043807180.jpeg)
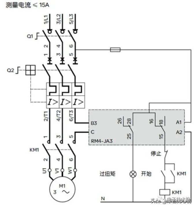
过电流继电器接线图
![图片[16]-电工的中间继电器接线图讲解-曙光学习苑](https://www.zgqtz.com/wp-content/uploads/2022/11/254799061_18_20221028043807305.jpeg)
热过载继电器接线图与复位方法
热过载继电器与接触器接线图
![图片[17]-电工的中间继电器接线图讲解-曙光学习苑](https://www.zgqtz.com/wp-content/uploads/2022/11/254799061_19_20221028043807399.jpeg)
总的来讲就是95进、96出。
热过载继电器与空气开关、交流接触器接线方法
想要接线首先我们必须要对设备的功能有所了解,其中空气开关相信大家都非常的清楚,生活中比较常见的电器把家用配电箱打开就能看到,若是这三种设备配置是按照自上往下排列方式接线的话那就是空气开关、接触器、热过载继电器。
首先接触器有三对主触点和一个线圈(由于线圈的电压规格比较得多,所以在接的时候一定要看清楚,通常用的有交流AC380V、220V或者是DC24的)相信这个在这里就不用再细说了。而接触器还要根据型号不同有一对常开触点的,一对常闭触点的,不过也有设计成常开常闭都有的等等。
一般接触器的常开触点主要是用来自锁的,自锁就是对设备自身线路进行锁闭功能,也就是以前讲的自保反正意思就是能够继续保持自身控制线路连续工作的那么个意思。接触器常闭触点一般是用在联锁模式,而联锁说白了就是不让接触器同时动作,在正反转线路中出现正转的时候,反转是不可以动作的,这就需要采用常闭点进行互锁,若是正反转同时动作的话会造成短路故障。
其次我们再讲讲热过载继电器,通常是具备了一对常开、一对常闭点,从它的功能上来讲主要是可以对线路进行热保护。热过载继电器的这个常闭点接线比较常见的都是以串联方式到线路里用的,一旦过载常闭点就能断开因此线路也就断电了。这里要注意的是,最好是根据负载的大小来对热过载继电器动作电流进行调节,要是调得太大反而起不到保护作用,相反调小了的话也不可以正常工作,这个需要把握好。
最后我们按照380V的接触器规格来说说和热过载继电器、空气开关具体接线方法,从空开的三根火线连接到接触器的三对主触点上面,然后接触器的下端再连接到热继电器的三个主接线主上,同时再将热继电器下端的三个接线柱连接到380V接触器上。把交流接触器主触头上接一根线连到热继电器的那个常闭触点上,接着常闭触点的另一端连接接触器的A1上。再从交流接触器的主触头上接一根线电源接到接触器的线圈A2上,这里就基本完成接线工作了,不过要记住从接触器主电源接的一定不要是同一根线,下面附加一张在三相电中的热过载继电器实物接线图。
![图片[18]-电工的中间继电器接线图讲解-曙光学习苑](https://www.zgqtz.com/wp-content/uploads/2022/11/254799061_20_20221028043807508.jpeg)
热过载继电器复位调节说明
在设备的壳体正面上一般红色按钮是为停止键,而蓝色按钮是为复位键,另外还有一个是调节电流大小的旋钮。热过载继电器的复位调节方式可以为分作两种,其中包含了手动复位和自动复位。
继电器手动复位调节:是当设备执行过载保护动作之后,则必须要利用手按下复位按钮才可以让它的常闭触点恢复到闭合状态,在采取手动复位的时候应该要等2至3分钟以后才能进行。
继电器自动复位调节:就是当设备执行过载保护动作后,常闭触点是能自动完成恢复到闭合状态,而这个自动复位的时间不会超过5分钟。
热过载继电器的复位方法可通过复位调节螺钉来进行选择,用一字螺钉旋具伸入到设备下侧的调节孔当中,接着按照顺时针的方向拧紧复位调整螺钉(调到底),这也就是自动复位调节操作,想要回到手动只需逆时针拧松调节螺钉到一定距离即可。
![图片[19]-电工的中间继电器接线图讲解-曙光学习苑](https://www.zgqtz.com/wp-content/uploads/2022/11/254799061_21_20221028043807602.jpeg)
现如今很多热过载继电器在它上盖上面都设有调节旋钮,具体如上图所示。当这个调节旋钮对准H位置的时候代表了手动复位,而对准A位置的时候代表是自动复位。
热过载继电器电流大小调节方法就是根据电机实际额定电流,来对设备壳体正面中的电流大小调节旋钮进行调整就可以了,因为上面基本上都会有明确的电流刻度表示。
汽车继电器的接线方法
关于线径:85和86那个随意多大的线径都可,30脚和87脚的就需要看你的电器功率来选取了,最少不能小于2平方的
![图片[20]-电工的中间继电器接线图讲解-曙光学习苑](https://www.zgqtz.com/wp-content/uploads/2022/11/254799061_22_20221028043807774.jpeg)
和继电器插接在一起
![图片[21]-电工的中间继电器接线图讲解-曙光学习苑](https://www.zgqtz.com/wp-content/uploads/2022/11/254799061_23_20221028043807945.png)
这是保险丝,这个是必须的,绝对不能少的!!!!切记
继电器是一种电子控制器件,它具有控制系统(又称输入回路)和被控制系统(又称输出回路),通常应用于自动控制电路中,它实际上是用较小的电流去控制较大电流的一种“自动开关”。故在电路中起着自动调节、安全保护、转换电路等作用。
1、电磁继电器的工作原理和特性
电磁式继电器一般由铁芯、线圈、衔铁、触点簧片等组成的。只要在线圈两端加上一定的电压,线圈中就会流过一定的电流,从而产生电磁效应,衔铁就会在电磁力吸引的作用下克服返回弹簧的拉力吸向铁芯,从而带动衔铁的动触点与静触点(常开触点)吸合。当线圈断电后,电磁的吸力也随之消失,衔铁就会在弹簧的反作用力返回原来的位置,使动触点与原来的静触点(常闭触点)吸合。这样吸合、释放,从而达到了在电路中的导通、切断的目的。对于继电器的“常开、常闭”触点,可以这样来区分:继电器线圈未通电时处于断开状态的静触点,称为“常开触点”;处于接通状态的静触点称为“常闭触点”。
2、热敏干簧继电器的工作原理和特性
热敏干簧继电器是一种利用热敏磁性材料检测和控制温度的新型热敏开关。它由感温磁环、恒磁环、干簧管、导热安装片、塑料衬底及其他一些附件组成。热敏干簧继电器不用线圈励磁,而由恒磁环产生的磁力驱动开关动作。恒磁环能否向干簧管提供磁力是由感温磁环的温控特性决定的。
3、固态继电器(SSR)的工作原理和特性
固态继电器是一种两个接线端为输入端,另两个接线端为输出端的四端器件,中间采用隔离器件实现输入输出的电隔离。
固态继电器按负载电源类型可分为交流型和直流型。按开关型式可分为常开型和常闭型。按隔离型式可分为混合型、变压器隔离型和光电隔离型,以光电隔离型为最多。.二、继电器主要产品技术参数
1、额定工作电压
是指继电器正常工作时线圈所需要的电压。根据继电器的型号不同,可以是交流电压,也可以是直流电压。
2、直流电阻
是指继电器中线圈的直流电阻,可以通过万能表测量。
3、吸合电流
是指继电器能够产生吸合动作的最小电流。在正常使用时,给定的电流必须略大于吸合电流,这样继电器才能稳定地工作。而对于线圈所加的工作电压,一般不要超过额定工作电压的1.5倍,否则会产生较大的电流而把线圈烧毁。
4、释放电流
是指继电器产生释放动作的最大电流。当继电器吸合状态的电流减小到一定程度时,继电器就会恢复到未通电的释放状态。这时的电流远远小于吸合电流。
5、触点切换电压和电流
是指继电器允许加载的电压和电流。它决定了继电器能控制电压和电流的大小,使用时不能超过此值,否则很容易损坏继电器的触点。
三、继电器测试
1、测触点电阻
用万能表的电阻档,测量常闭触点与动点电阻,其阻值应为0;而常开触点与动点的阻值就为无穷大。由此可以区别出那个是常闭触点,那个是常开触点。
2、测线圈电阻
可用万能表R&TImes;10Ω档测量继电器线圈的阻值,从而判断该线圈是否存在着开路现象。
3、测量吸合电压和吸合电流
找来可调稳压电源和电流表,给继电器输入一组电压,且在供电回路中串入电流表进行监测。慢慢调高电源电压,听到继电器吸合声时,记下该吸合电压和吸合电流。为求准确,可以试多几次而求平均值。
4、测量释放电压和释放电流
也是像上述那样连接测试,当继电器发生吸合后,再逐渐降低供电电压,当听到继电器再次发生释放声音时,记下此时的电压和电流,亦可尝试多几次而取得平均的释放电压和释放电流。一般情况下,继电器的释放电压约在吸合电压的10~50%,如果释放电压太小(小于1/10的吸合电压),则不能正常使用了,这样会对电路的稳定性造成威胁,工作不可靠。四、继电器的电符号和触点形式
继电器线圈在电路中用一个长方框符号表示,如果继电器有两个线圈,就画两个并列的长方框。同时在长方框内或长方框旁标上继电器的文字符号“J”。继电器的触点有两种表示方法:一种是把它们直接画在长方框一侧,这种表示法较为直观。另一种是按照电路连接的需要,把各个触点分别画到各自的控制电路中,通常在同一继电器的触点与线圈旁分别标注上相同的文字符号,并将触点组编上号码,以示区别。继电器的触点有三种基本形式:
1.动合型(H型)线圈不通电时两触点是断开的,通电后,两个触点就闭合。以合字的拼音字头“H”表示。
2.动断型(D型)线圈不通电时两触点是闭合的,通电后两个触点就断开。用断字的拼音字头“D”表示。
3.转换型(Z型)这是触点组型。这种触点组共有三个触点,即中间是动触点,上下各一个静触点。线圈不通电时,动触点和其中一个静触点断开和另一个闭合,线圈通电后,动触点就移动,使原来断开的成闭合,原来闭合的成断开状态,达到转换的目的。这样的触点组称为转换触点。用“转”字的拼音字头“z”表示。五、继电器的选用
1.先了解必要的条件:①控制电路的电源电压,能提供的最大电流;②被控制电路中的电压和电流;③被控电路需要几组、什么形式的触点。选用继电器时,一般控制电路的电源电压可作为选用的依据。控制电路应能给继电器提供足够的工作电流,否则继电器吸合是不稳定的。
2.查阅有关资料确定使用条件后,可查找相关资料,找出需要的继电器的型号和规格号。若手头已有继电器,可依据资料核对是否可以利用。最后考虑尺寸是否合适。
3.注意器具的容积。若是用于一般用电器,除考虑机箱容积外,小型继电器主要考虑电路板安装布局。对于小型电器,如玩具、遥控装置则应选用超小型继电器产品。
- 1、 本站的文章部分内容均来源于网络,仅供大家学习与参考,如有侵权,请联系站长:QQ932926588,邮箱同号。
- 2、 本站一切资源不代表本站立场,并不代表本站赞同其观点和对其真实性负责。
- 3、 本站一律禁止以任何方式发布或转载任何违法的相关信息,访客发现请向站长举报
- 4、 本站资源大多存储在云盘,如发现链接失效,请联系我们会第一时间更新。























暂无评论内容