描述
电路是电流的通路,照明电路的作用是实现电能转换为光能,它包括电源、电灯、导线和开关等。
一、路灯光电控制电路

当晚上(照度低)时,光敏电阻GR的电阻增大,VT1的基极电流减小直至截止,于是VT2也截止。VT2的集电极电压上升使VT3导通,继电器KA吸合,点亮路灯。早上天刚亮(照度高),GR的阻值减小,使VT1导通,于是与上述过程相反,关闭路灯。继电器KA为JRX-13F型。
二、轻触台灯开关电路

“开”和“关”为两个轻触按钮开关SB 1 和SB 2 ,时基电路IC完成控制功能,单向晶闸管VS构成无触点直流开关,控制台灯EL的点亮与否。[rml_read_more]
时基电路IC构成RS型双稳态触发器。双稳态触发器的特点是具有两个稳定的状态,并且在外加触发信号的作用下,可以由一种稳定状态转换为另一种稳定状态。在没有外加触发信号时,现有状态将一直保持下去。
当按下“开”轻触按钮开关SB 1 时,时基电路IC的第2脚被接地,即在RS触发器的置“1”输入端加上一个“0”电平触发脉冲,电路被置“1”,输出端(第3脚)输出为高电平,经 R 3 加至单向晶闸管VS的控制极,触发VS导通,台灯点亮。
当按下“关”轻触按钮开关SB 2 时,时基电路IC的第6脚被接+ V CC ,即在RS触发器的置“0”输入端加上一个“1”电平触发脉冲,电路被置“0”,输出端(第3脚)输出为“0”,单向晶闸管VS失去触发信号,在交流电过零时截止,台灯熄灭。
晶体二极管VD 1 ~VD 4 构成桥式整流电路,为控制电路提供直流电源,并使得单向晶闸管可以控制台灯的交流回路。VD 5 起隔离作用,其左侧因为有 C 1 滤波而为时基电路IC提供平稳的直流电压,其右侧为脉动电压保证晶闸管VS可以在过零时截止。VD 6 与VD 7 的作用是垫高VS的管压降,确保在VS导通时IC仍能得到一定的工作电压。
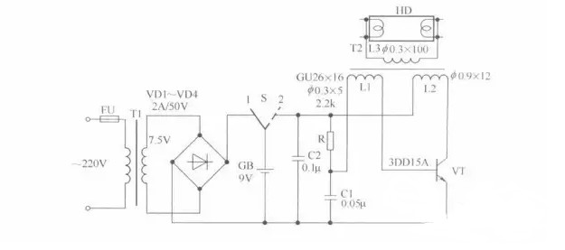
三、应急照明灯电路

当开关S在“1”的位置时,220V的交流电源经变压器T1降压、VD1~VD4整流后向蓄电池GB充电。当停止交流供电时,可把开关S拨向“2”的位置,此时蓄电池向逆变变压器T2二次[侧]输出高压,使灯管启辉。
逆变变压器采用铁氧体罐形磁芯绕制,规格为GU26×16。绕制时,要注意高压绕组L3的绝缘。电池组可根据条件选用。电源变压器可用10V?A铁芯绕制。灯管可选用7W的H形或U形节能灯。
电路安装无误后,如通电不起振,则有可能是反馈线圈接反,一般来讲,将L1两端对调,即可正常工作。调整C1的容量可改变振荡频率,C1的容量越大,振荡频率越低。
应急灯的应用很广泛,若应用在消防工程中时,除应具有产品相关合格证外,灯具还必须采用金属外壳,灯头(指白炽灯)不允许采用塑料制品。
- 1、 本站的文章部分内容均来源于网络,仅供大家学习与参考,如有侵权,请联系站长:QQ932926588,邮箱同号。
- 2、 本站一切资源不代表本站立场,并不代表本站赞同其观点和对其真实性负责。
- 3、 本站一律禁止以任何方式发布或转载任何违法的相关信息,访客发现请向站长举报
- 4、 本站资源大多存储在云盘,如发现链接失效,请联系我们会第一时间更新。




















暂无评论内容