![图片[1]-三级管如何测量好坏-曙光学习苑](https://www.zgqtz.com/wp-content/uploads/2024/07/未命名-1-34-300x300-2.jpg)
三级管
三极管,全称应为半导体三极管,也称双极型晶体管、晶体三极管,是一种控制电流的半导体器件其作用是把微弱信号放大成幅度值较大的电信号, 也用作无触点开关。晶体三极管,是半导体基本元器件之一,具有电流放大作用,是电子电路的核心元件。三极管是在一块半导体基片上制作两个相距很近的PN结,两个PN结把整块半导体分成三部分,中间部分是基区,两侧部分是发射区和集电区,排列方式有PNP和NPN两种。
三极管放大原理
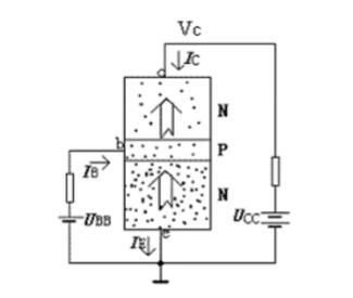
对于NPN管,它是由2块N型半导体中间夹着一块P型半导体所组成,发射区与基区之间形成的PN结称为发射结,而集电区与基区形成的PN结称为集电结,三条引线分别称为发射极e (Emitter)、基极b (Base)和集电极c (Collector)。如下图所示

当b点电位高于e点电位零点几伏时,发射结处于正偏状态,而C点电位高于b点电位几伏时,集电结处于反偏状态,集电极电源Ec要高于基极电源Eb。

1、发射区向基区发射电子
电源Ubb经过电阻Rb加在发射结上,发射结正偏,发射区的多数载流子(自由电子)不断地越过发射结进入基区,形成发射极电流Ie。同时基区多数载流子也向发射区扩散,但由于多数载流子浓度远低于发射区载流子浓度,可以不考虑这个电流,因此可以认为发射结主要是电子流。
2、基区中电子的扩散与复合
电子进入基区后,先在靠近发射结的附近密集,渐渐形成电子浓度差,在浓度差的作用下,促使电子流在基区中向集电结扩散,被集电结电场拉入集电区形成集电极电流Ic。也有很小一部分电子(因为基区很薄)与基区的空穴复合,扩散的电子流与复合电子流之比例决定了三极管的放大能力。
3、集电区收集电子
由于集电结外加反向电压很大,这个反向电压产生的电场力将阻止集电区电子向基区扩散,同时将扩散到集电结附近的电子拉入集电区从而形成集电极主电流Icn。另外集电区的少数载流子(空穴)也会产生漂移运动,流向基区形成反向饱和电流,用Icbo来表示,其数值很小,但对温度却异常敏感。
万用表测量三级管好坏
接下来我们以测量NPN三极管9014的好坏为例来详细的说明。
1、先来了解一下9014三极管,它有直插和贴片两种封装,1脚为发射极,2脚为基极,3脚为集电极。

2、准备好数字万用表,把档位箭头旋到二极管位置,红表笔插到电压、电阻、二极管档,黑表笔插到地档,此时万用表显示1。
3、把红表笔接到三极管2脚,黑表笔接到三极管1脚,正常的话万用表应当显示.699左右,如数据偏差百分之15以上表示有问题。
4、把红表笔接到三极管2脚,黑表笔接到三极管3脚,正常的话万用表应当显示.703左右,如数据偏差百分之15以上表示有问题。
5、把红表笔接到三极管1脚,黑表笔接到三极管3脚,正常的话万用表应当显示1.00左右,如数据不是1.00表示有问题。
6、同上把红表笔接到三极管3脚,黑表笔接到三极管1脚,正常的话万用表应当显示1.00左右,如数据不是1.00表示有问题,如显示接近0表示三极管被击穿。
- 1、 本站的文章部分内容均来源于网络,仅供大家学习与参考,如有侵权,请联系站长:QQ932926588,邮箱同号。
- 2、 本站一切资源不代表本站立场,并不代表本站赞同其观点和对其真实性负责。
- 3、 本站一律禁止以任何方式发布或转载任何违法的相关信息,访客发现请向站长举报
- 4、 本站资源大多存储在云盘,如发现链接失效,请联系我们会第一时间更新。

















暂无评论内容