![图片[1]-led数码管怎么接线_LED数码管的测试-曙光学习苑](https://www.zgqtz.com/wp-content/uploads/2024/07/5156.webp-1-300x287-1.jpg)
LED外控数码管如何接线
主要组成材料:
LED数码管、数码管安装卡扣、防雨开关电源、LED数码管控制器。
辅助材料:
护栏管公母插头、网线、两芯电源线、自攻螺丝、膨胀螺钉等(看安装在哪)。
LED数码管安装步骤:
第一步:先将LED数码管摆在应该要安装的墙体上,然后在墙体上打孔,装上膨胀螺钉,再把卡扣放在数码管上面,用自攻螺丝固定,数码管之间的距离根据客户的要求而定。
第二步:将LED数码管的信号线、电源线对接起来,信号线是两芯的公母插头(小头);电源线也是两芯的公母插(大头);根据公进每出的通电方式,也就是公头进电(带帽),母头出电,大头为电源线(棕色正极,蓝色负极)小头为信号线(棕色正极,蓝色负极)。
第三步:安装电源 :根据开关电源的功率以及数码管的功率来计算每台电源可以带多少条数码管;每台开关电源带24条,根据6串4并的方式接电,也就是6条一串,分四路并在主线上。
注意:1. 开关电源一般只用到80%的功率;2. 400W的开关电源,建议每台接的管不要超过24米;因为电源导线有功率损耗;越到后面的LED数码管亮度越低,也就是我们所说的会产生压降。
第四步:LED数码管控制器的安装;
控制器为8口,4口,单口。直接将控制器连接LED数码管; 信号线(小头)接控制器端口,棕色接控制器DAT端口,蓝色接控制器GND端口,电源线(大头)接开关电源;如果LED数码管与控制器的距离较远时可以用网线连接起来,这样信号比较好;控制器每个口的像素点为1024,只能带固定数量的LED数码管,一般可以带到100M;做楼体轮廓时,每一个口带一路;具体的情况根据LED效果图安装。网线都应该是八条线的,采用公母信号插与网线对接起来接到控制器上;不同回路的数码管之间的信号线需要断开。
第五步:通电,将开关电源全部接到一条220V主电源上,然后采用一个空气开关和时间开关; 控制LED数码管统一通电;然后将主控器上的插头插在220V的电源上。
第六步:系统调试
控制器和LED数码管(LED护栏管)通电后;可能会有部分的数码管没有信号不能受控制,或不能正常运作;将不良的LED数码管取下,换上后备管,直到正常运作。
注:
1. 若LED数码管不能正常走程序,确认此管应该是否信号线有问题,请把不能运作的管换下,若恢复正常,就确认应该是此管问题,若无法解决安装中出现的问题请与厂家联系。
2.因为LED数码管为电子产品,总会有一些不良品,会出现虚焊漏焊现象;另外防水处理很个很关键的因素。
3. LED数码管一般安装在比较高的楼体上,安装成本比较高,具有一定的危险;如果有坏管了,需要吊人或架手脚架上去拆换;所以建议选购优质的产品的,减少的维护成本。
![图片[2]-led数码管怎么接线_LED数码管的测试-曙光学习苑](https://www.zgqtz.com/wp-content/uploads/2024/07/pIYBAF2dSiGAKRvoAAAn0wYaTFA925-3.jpg)
LED数码管的测试
为了保证质量的LED数码管,LED数码管在其外观应该是做工精细、发光颜色均匀、无局部变色及无漏光等。对于LED数码管不清楚性能好坏、产品型号及管脚排列的LED数码管,我们可尝试下面的简单测试LED数码管的方法进行检测。
LED数码管——干电池检测法
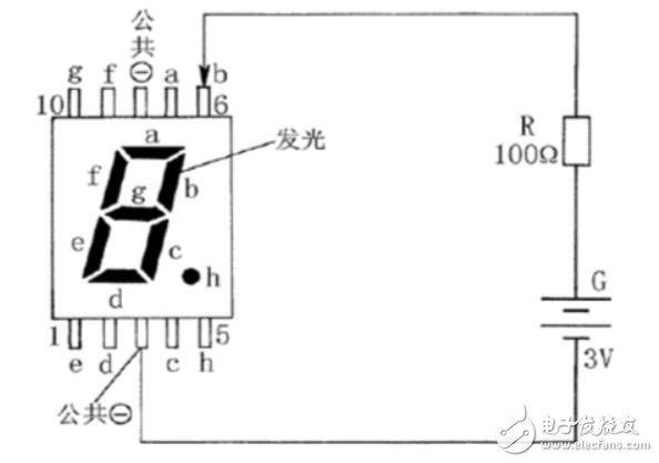
如下图所示,取两节普通1.5V干电池将LED数码管串联(3V)起来,并串联一个100Ω、1/8W的限流电阻器,以防止LED数码管过电流烧坏被测LED数码管。将3V干电池的负极引线(两根引线均可接上小号鳄鱼夹)接在被测LED数码管的公共阴极上,LED数码管正极引线依次移动接触LED数码管各笔段电极(a~h脚)。当LED数码管正极引线接触到LED数码管某一笔段电极时,对应笔段LED数码管就发光显示。用这种方法可以快速测出LED数码管是否有断笔(LED数码管某一笔段不能显示)或连笔(LED数码管某些笔段连在一起),并且可相对比较出不同的LED数码管笔段发光强弱是否一致。若检测共阳极LED数码管,只需将电池的正、负极引线对调一下,方法同上。
如果将下图中被测LED数码管的各笔段电极(a~h脚)全部短接起来,LED数码管再接通测试用干电池,则可使被测LED数码管实现全笔段发光。对于有质量保证的LED数码管,LED数码管的发光颜色应该均匀,并且LED数码管无笔段残缺及局部变色等。
![图片[3]-led数码管怎么接线_LED数码管的测试-曙光学习苑](https://www.zgqtz.com/wp-content/uploads/2024/07/o4YBAF2dSeaAUNgBAABVdlB7nUQ247-2.jpg)
LED数码管——万用表检测法
我们以MF50型指针式万用表为例,说明具体检测方法:首先,按照下图所示,将指针式万用表拨至“R×10k”电阻挡。由于LED数码管内部的发光二极管正向导通电压一般≥1.8V,所以万用表的电阻档应置于LED数码管内部电池电压是15V(或9V)的“R×10k”挡,LED数码管而不应置于内部电池电压是1.5V的 “R×100”或“R×1k”挡,否则无法正常测量LED数码管发光二极管的正、反向电阻。然后,再对LED数码管进行检测。在测LED数码管共阴极数码管时,万用表红表笔(注意:红表笔接表内电池负极、黑表笔接表内电池正极)应接LED数码管的“-”公共端,黑表笔则分别去接各笔段电极(a~h脚);对于共阳极的LED数码管,黑表笔应接LED数码管的“+”公共端,红表笔则分别去接a~h脚。LED数码管正常情况下,万用表的指针应该偏转(一般示数在100kΩ以内),说明对应笔段的发光二极管导通,同时对应LED数码管笔段会发光。若测到LED数码管某个管脚时,万用表指针不偏转,所对应的LED数码管笔段也不发光,则说明被测笔段的发光二极管已经开路损坏。与LED数码管干电池检测法一样,采用万用表检测法也可对不清楚LED数码管结构类型和引脚排序的数码管进行快速的LED数码管检测。
![图片[4]-led数码管怎么接线_LED数码管的测试-曙光学习苑](https://www.zgqtz.com/wp-content/uploads/2024/07/pIYBAF2dSf-AQTiNAAB1T7n05KU392-1.jpg)
针对每个LED数码管的产品都会有不一样的测试方法,但都大同小异,可以将以上两种方法大致运用于检查LED数码管产品中。
- 1、 本站的文章部分内容均来源于网络,仅供大家学习与参考,如有侵权,请联系站长:QQ932926588,邮箱同号。
- 2、 本站一切资源不代表本站立场,并不代表本站赞同其观点和对其真实性负责。
- 3、 本站一律禁止以任何方式发布或转载任何违法的相关信息,访客发现请向站长举报
- 4、 本站资源大多存储在云盘,如发现链接失效,请联系我们会第一时间更新。

















暂无评论内容