![图片[1]-晶闸管的保护方案详解-曙光学习苑](https://www.zgqtz.com/wp-content/uploads/2024/07/srchttp___img002.hc360.cn_m1_M04_21_5F_wKhQcFRaD2SEBXvfAAAAAAH7kdg012.jpg.300x300.jpgreferhttp___img002.hc360.webp.jpg)
电力电子装置可能的过电压——外因过电压和内因过电压
外因过电压:主要来自雷击和系统操作过程等外因
操作过电压:由分闸、合闸等开关操作引起
雷击过电压:由雷击引起
内因过电压:主要来自电力电子装置内部器件的开关过程
换相过电压:晶闸管或与全控型器件反并联的二极管在换相结束后,反向电流急剧减小,会由线路电感在器件两端感应出过电压。
关断过电压:全控型器件关断时,正向电流迅速降低而由线路电感在器件两端感应出的过电压。
过电压保护措施
![图片[2]-晶闸管的保护方案详解-曙光学习苑](https://www.zgqtz.com/wp-content/uploads/2024/07/2474213-1F531162R45H.png)
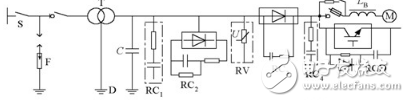
过电压抑制措施及配置位置
F-避雷器 D-变压器静电屏蔽层 C-静电感应过电压抑制电容
RC1-阀侧浪涌过电压抑制用RC电路 RC2-阀侧浪涌过电压抑制用反向阻断式RC电路
RV-压敏电阻过电压抑制器 RC3-阀器件换相过电压抑制用RC电路
RC4-直流侧RC抑制电路 RCD-阀器件关断过电压抑制用RCD电路
电力电子装置可视具体情况只采用其中的几种。
其中RC3和RCD为抑制内因过电压的措施,属于缓冲电路范畴。
过电流——过载和短路两种情况
保护措施
![图片[3]-晶闸管的保护方案详解-曙光学习苑](https://www.zgqtz.com/wp-content/uploads/2024/07/2474213-1F531162PDT.png)
过电流保护措施及配置位置
同时采用几种过电流保护措施,提高可靠性和合理性。
电子电路作为第一保护措施,快熔仅作为短路时的部分
区段的保护,直流快速断路器整定在电子电路动作之后实现保护,过电流继电器整定在过载时动作。
快熔对器件的保护方式:全保护和短路保护两种
全保护:过载、短路均由快熔进行保护,适用于小功率装置或器件裕度较大的场合。
短路保护:快熔只在短路电流较大的区域起保护作用。
对重要的且易发生短路的晶闸管设备,或全控型器件,需采用电子电路进行过电流保护。
常在全控型器件的驱动电路中设置过电流保护环节,响应最快 。
© 版权声明
- 1、 本站的文章部分内容均来源于网络,仅供大家学习与参考,如有侵权,请联系站长:QQ932926588,邮箱同号。
- 2、 本站一切资源不代表本站立场,并不代表本站赞同其观点和对其真实性负责。
- 3、 本站一律禁止以任何方式发布或转载任何违法的相关信息,访客发现请向站长举报
- 4、 本站资源大多存储在云盘,如发现链接失效,请联系我们会第一时间更新。
THE END




















暂无评论内容