![图片[1]-可关断晶闸管工作原理和主要参数详解-曙光学习苑](https://www.zgqtz.com/wp-content/uploads/2024/07/u2519852453432340720fm253fmtautoapp138fJPEG.webp-300x300-1.jpg)
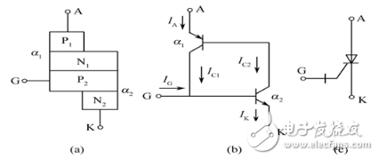
与普通晶闸管的相同点:PNPN四层半导体结构,外部引出阳极、阴极和门极。
和普通晶闸管的不同点:GTO是一种多元的功率集成器件。
![图片[2]-可关断晶闸管工作原理和主要参数详解-曙光学习苑](https://www.zgqtz.com/wp-content/uploads/2024/07/2474213-1F531150KSQ.png)
可关断晶闸管的工作原理
由于GTO处于临界饱和状态,用抽走阳极电流的方法破坏临界饱和状态,能使器件关断。而晶闸管导通之后,处于深度饱和状态,用抽走阳极电流的方法不能使其关断。
存储时间ts:对应着从关断过程开始,到阳极电流开始下降到90%IA为止的一段时间间隔。
下降时间tf:对应着阳极电流迅速下降,阳极电压不断上升和门极反电压开始建立的过程。
尾部时间tt:则是指从阳极电流降到极小值时开始,直到最终达到维持电流为止的时间。
![图片[3]-可关断晶闸管工作原理和主要参数详解-曙光学习苑](https://www.zgqtz.com/wp-content/uploads/2024/07/2474213-1F531150Q53B.png)
GTO有许多参数与晶闸管相同,这里只介绍一些与晶闸管不同的参数。
(1) 最大可关断阳极电流IATO
电流过大时α1+α2稍大于1的条件可能被破坏,使器件饱和程度加深,导致门极关断失败。
(2) 关断增益off
GTO的关断增益off为最大可关断阳极电流IATO与门极负电流最大值IgM之比,off通常只有5左右。
门极驱动电路和缓冲电路
1. 可关断晶闸管的门极驱动电路
影响GTO导通的主要因素有:阳极电压、阳极电流、温度和门极触发信号等。阳极电压高,GTO导通容易,阳极电流较大时易于维持大面积饱和导通,温度低时,要加大门极驱动信号才能得到与室温时相同的导通效果。
(1) 对门极触发信号的要求
因为GTO工作在临界饱和状态,所以门极触发信号要足够大,
脉冲前沿(正、负脉冲)越陡越有利,而后沿平缓些好。正脉冲后沿太陡会产生负尖峰脉冲;负脉冲后沿太陡会产生正尖峰脉冲,会使刚刚关断的GTO的耐压和阳极承受的du/dt降低。
为了实现强触发,门极正脉冲电流一般为额定触发电流(直流)的(3~5)倍。
(2) 门极触发方式
GTO门极触发方式通常有下面三种:
① 直流触发
在GTO被触发导通期间,门极一直加有直流触发信号。
② 连续脉冲触发
在GTO被触发导通期间,门极上仍加有连续触发脉冲,所以也称脉冲列触发。
③ 单脉冲触发
即常用的脉冲触发,GTO导通之后,门极触发脉冲即结束。采用直流触发或脉冲列触发方式GTO的正向管压降较小。采用单脉冲触发时,如果阳极电流较小,则管压降较大,用单脉冲触发,应提高脉冲的前沿陡度,增大脉冲幅度和宽度,才能使GTO的大部分或全部达饱和导通状态。
缓冲电路
吸收过电压的有效方法是在器件两端并联一个吸收过电压的阻容电路。如果吸收电路元器件的参数选择不当,或连线过长造成分布电感LS过大等,也可能产生严重的过电压。
![图片[4]-可关断晶闸管工作原理和主要参数详解-曙光学习苑](https://www.zgqtz.com/wp-content/uploads/2024/07/1514232I1-5.jpg)
缓冲电路元件的选择
应选取较小的RS,RS的阻值一般应选取10Ω~20Ω 。RS不应选用线绕式的,而应是涂膜工艺制作的无感电阻。要求二极管VDS能快速开通、反向恢复时间trr短和反向恢复电荷Qr尽量小。吸收电路中的CS也应当是无感元件,以尽可能减小吸收电路的杂散分布电感LS。
- 1、 本站的文章部分内容均来源于网络,仅供大家学习与参考,如有侵权,请联系站长:QQ932926588,邮箱同号。
- 2、 本站一切资源不代表本站立场,并不代表本站赞同其观点和对其真实性负责。
- 3、 本站一律禁止以任何方式发布或转载任何违法的相关信息,访客发现请向站长举报
- 4、 本站资源大多存储在云盘,如发现链接失效,请联系我们会第一时间更新。




















暂无评论内容