![图片[1]-晶闸管的四点工作特性_晶闸管的结构与工作原理-曙光学习苑](https://www.zgqtz.com/wp-content/uploads/2024/07/srchttp___cbu01.alicdn.com_img_ibank_2013_353_168_900861353_1906684245.220x220.jpgreferhttp___cbu01.alicdn.webp.jpg)
1、晶闸管的结构与工作原理
外形有螺栓型和平板型两种封装。
有三个联接端。
螺栓型封装,通常螺栓是其阳极,能与散热器紧密联接且安装方便。
平板型晶闸管可由两个散热器将其夹在中间。
![图片[2]-晶闸管的四点工作特性_晶闸管的结构与工作原理-曙光学习苑](https://www.zgqtz.com/wp-content/uploads/2024/07/2755814-1P11611334bV.png)
图1.晶闸管的外形、结构和电气图形符号
a)外形b)结构c)电气图形符号
常用晶闸管的结构
![图片[3]-晶闸管的四点工作特性_晶闸管的结构与工作原理-曙光学习苑](https://www.zgqtz.com/wp-content/uploads/2024/07/2755814-1P116113442541.png)
按晶体管的工作原理,得:
Ic1=a1IA+ICBO1 (1-1)
Ic2=a2IK+ICBO2 (1-2)
IK=IA+IG (1-3)
IA=IC1+IC2 (1-4)
式中a1和a2分别是晶体管V1和V2的共基极电流增益;ICBO1和ICBO2分别是V1和V2的共基极漏电流。由以上式可得:
![图片[4]-晶闸管的四点工作特性_晶闸管的结构与工作原理-曙光学习苑](https://www.zgqtz.com/wp-content/uploads/2024/07/2755814-1P116113535H6.png)
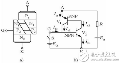
![图片[5]-晶闸管的四点工作特性_晶闸管的结构与工作原理-曙光学习苑](https://www.zgqtz.com/wp-content/uploads/2024/07/2755814-1P11611354R29.png)
图2.晶的双晶体管模型及其工作原理
a)双晶体管模型b)工作原理
在低发射极电流下a是很小的,而当发射极电流建立起来之后,a迅速增大。
阻断状态:IG=0,a1+a2很小。流过晶闸管的漏电流稍大于两个晶体管漏电流之和。
开通状态:注入触发电流使晶体管的发射极电流增大以致a1+a2趋近于1的话,流过晶闸管的电流IA,将趋近于无穷大,实现饱和导通。IA实际上由于外电路负载的限制,会维持有限值。
其他几种可能导通的情况:
1)阳极电压升高至相当高的数值造成雪崩效应
2)阳极电压上升率du/dt过高
3)结温较高
4)光触发
只有门极触发是最精确、迅速而可靠的控制手段。
2、晶闸管的四点工作特性
晶闸管正常工作时的特性总结如下:
1)承受反向电压时,不论门极是否有触发电流,晶闸管都不会导通。
2)承受正向电压时,仅在门极有触发电流的情况下晶闸管才能开通。
3)晶闸管一旦导通,门极就失去控制作用。
4)要使晶闸管关断,只能使晶闸管的电流降到接近于零的某一数值以下。
1)静态特性
(1)正向特性
IG=0时,器件两端施加正向电压,只有很小的正向漏电流,为正向阻断状态。
正向电压超过正向转折电压Ubo,则漏电流急剧增大,器件开通。
随着门极电流幅值的增大,正向转折电压降低。
晶闸管本身的压降很小,在1V左右。
![图片[6]-晶闸管的四点工作特性_晶闸管的结构与工作原理-曙光学习苑](https://www.zgqtz.com/wp-content/uploads/2024/07/2755814-1P116113A4N1.png)
图3.晶闸管的伏安特性
(2)反向特性
反向特性类似二极管的反向特性。
反向阻断状态时,只有极小的反相漏电流流过。
当反向电压达到反向击穿电压后,可能导致晶闸管发热损坏。
2)动态特性
(1)开通过程
延迟时间td(0.5~1.5ms)
上升时间tr(0.5~3ms)
开通时间tgt以上两者之和,tgt=td+tr(1-6)
![图片[7]-晶闸管的四点工作特性_晶闸管的结构与工作原理-曙光学习苑](https://www.zgqtz.com/wp-content/uploads/2024/07/2755814-1P116113G4310.png)
图4.晶闸管的开通和关断过程波形
(2)关断过程
反向阻断恢复时间trr
正向阻断恢复时间tgr
关断时间tq以上两者之和tq=trr+tgr(1-7)
普通晶闸管的关断时间约几百微秒
- 1、 本站的文章部分内容均来源于网络,仅供大家学习与参考,如有侵权,请联系站长:QQ932926588,邮箱同号。
- 2、 本站一切资源不代表本站立场,并不代表本站赞同其观点和对其真实性负责。
- 3、 本站一律禁止以任何方式发布或转载任何违法的相关信息,访客发现请向站长举报
- 4、 本站资源大多存储在云盘,如发现链接失效,请联系我们会第一时间更新。




















暂无评论内容