![图片[1]-常见的MOSFET驱动方式,驱动电路的参数计算-曙光学习苑](https://www.zgqtz.com/wp-content/uploads/2024/07/u37526412154185180831fm253fmtautoapp138fJPEG.webp-300x244-1.jpg)
在简单的了解MOS管的基本原理以及相关参数后,如何在实际的电路中运用是我们努力的方向。比如在实际的MOS驱动电路设计中,如何去根据需求搭建电路,计算参数,根据特性完善电路,根据实际需求留余量等等,在这些约束条件下搭建一个相对完善的电路。参考了一些资料后,就我目前的需求和自身的理解力分享相关的一些笔记和理解。
![图片[2]-常见的MOSFET驱动方式,驱动电路的参数计算-曙光学习苑](https://www.zgqtz.com/wp-content/uploads/2024/07/u37526412154185180831fm253fmtautoapp138fJPEG.webp-300x130-1.jpg)
1. 常见的MOSFET驱动方式
直接驱动
最简单的驱动方式,比如用单片机输出PWM信号来驱动较小的MOS。使用这种驱动方式,应注意几点;一是实际PWM和MOS的走线距离必定导致寄生电感引起震荡噪声,二是芯片的驱动峰值电流,因为不同芯片对外驱动能力不一样。三是MOS的寄生电容Cgs、Cgd如果比较大,导通就需要大的能量,没有足够的峰值电流,导通的速度就会比较慢。

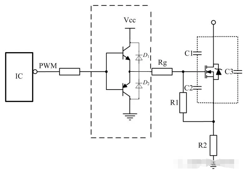
图腾柱/推拉式驱动电路
由两个三极管构成,上管是NPN型,下管是PNP型三极管,两对管共射联接处为输出端,结构类似于乙类推挽功率放大器。利用这种拓扑放大驱动信号,增强电流能力。(驱动IC内部也是集成了类似的结构)

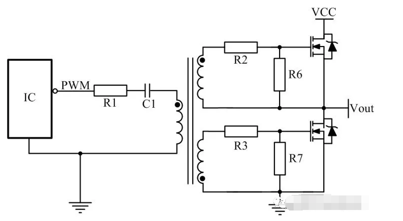
隔离式驱动电路
为了满足安全隔离也会用变压器驱动。如图其中R1抑制振荡,C1隔直流通交流同时防止磁芯饱和。隔离式的驱动电路不太常见,就不做过多的了解。

小结:当然除以上驱动电路之外,还有很多其它形式的驱动电路。对于各种各样的驱动电路并没有一种是最好的,只能结合具体应用,选择最合适的拓扑。
2. 驱动电路的参数计算
我的实际工作中碰到最多的驱动电路是以下这种能够控制开关速度的驱动电路,我就以它举例做进一步的分析。

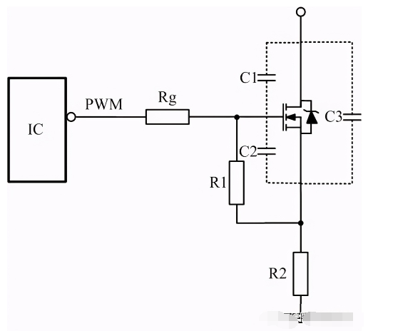
如图,在驱动电阻Rg2上并联一个二极管。其中D1常用快恢复二极管,使关断时间减小同时减小关断损耗,Rg1可以限制关断电流,R1为mos管栅源极的下拉电阻,给mos管栅极积累的电荷提供泄放回路。(根据MOSFET栅极高输入阻抗的特性,一点点静电或者干扰都可能导致MOS管误导通,所以R1也起降低输入阻抗作用,一般取值在10k~几十k)
Lp为驱动走线的杂散寄生电感,包括驱动IC引脚、MOS引脚、PCB走线的感抗,精确的数值很难确定,通常取几十nH。
驱动电阻Rg的计算
驱动走线的寄生电感和MOS管的结电容会组成一个LC振荡电路,如果驱动芯片的输出端直接到栅极的话,在PWM波的上升下降沿会产生很大的震荡,导致MOS管急剧发热甚至爆炸,一般的解决方法是在栅极串联电阻,降低LC振荡电路的Q值,使震荡迅速衰减掉。

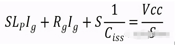
驱动电阻下限值:当mos开通瞬间,Vcc通过驱动电阻给Ciss=Cgs+Cgd充电,如上图所示(忽略下拉电阻R1的影响)。根据LC震荡电路模型,可以列出回路在复频域内对应的方程。

求解出ig,并化为典型二阶系统的形式

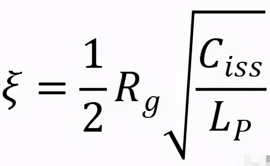
再根据LC振荡电路求解二阶系统阻尼系比

那么根据LC振荡电路的特性,为了保证驱动电流ig不发生震荡,该系统要处于过阻尼的状态;即阻尼比必须大于1,则方程式解得Rg=Rg1+Rg2的下限范围

驱动关断电阻上限值:MOS关断时,Vds会产生很大的dv/dt,那么由于寄生电容Cgd的存在,就会对回路进行放电继而产生较大的电流,根据公式:Ic=Cdv/dt。那么回路上Igd流过驱动电阻Rg,又会在GS间产生一个电压Vgoff=IgdxRg。这样我们的方向就是不能让其高于MOS导通的门槛电压Vth以避免误导通。

那么列出不等式

则解得驱动电阻Rgoff=Rg1的取值范围

总结:
在实际设计中,我们就可以根据理论公式,以避免驱动电流不发生震荡为条件计算出Rg1+Rg2的下限范围,以避免关断误导通为条件得出驱动上限值即得到Rg1的取值范围。
然后再根据实际的实验在考虑损耗、EMI、以及应用在桥式拓扑中的死区控制等优化方向上,不断调试出想要特性参数。那么,通过基本的分析后,我们也得出一个MOS驱动电路设计的大方向;一个好的MOSFET驱动电路应当有以下几点要求:
(1) 导通时,驱动电路应能提供足够大的充电电流使MOSFET栅源极间电压迅速上升到所需值,保证开关管能快速开通且不存在上升沿的高频振荡。
(2) 开关导通期间驱动电路能保证MOSFET栅源极间电压保持稳定且可靠导通。
(3) 关断瞬间驱动电路要提供一个尽可能低阻抗的通路供MOSFET栅源极间电容电压的快速泄放,保证开关管能快速关断,同时可以提供负压以避免干扰和误导通。
(4) 驱动电路结构简单可靠、损耗小,还要根据情况隔离。
- 1、 本站的文章部分内容均来源于网络,仅供大家学习与参考,如有侵权,请联系站长:QQ932926588,邮箱同号。
- 2、 本站一切资源不代表本站立场,并不代表本站赞同其观点和对其真实性负责。
- 3、 本站一律禁止以任何方式发布或转载任何违法的相关信息,访客发现请向站长举报
- 4、 本站资源大多存储在云盘,如发现链接失效,请联系我们会第一时间更新。



























暂无评论内容