![图片[1]-nmos高端驱动自举电路-曙光学习苑](https://www.zgqtz.com/wp-content/uploads/2024/07/srchttp___file.hi1718.com_dzsc_19_3484_19348435.jpgreferhttp___file.hi1718.webp-300x187-1.jpg)
一、电容自举驱动NMOS电路
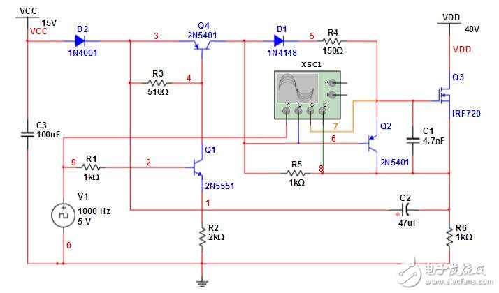
VCC经过二极管D2、电容C2、电阻R1到地,所以加载在电容C2两端的电压约为14V。
![图片[2]-nmos高端驱动自举电路-曙光学习苑](https://www.zgqtz.com/wp-content/uploads/2024/07/2413554-1G106102229117.jpg)
图1电容自举驱动NMOS电路
(1) 当V1输入高电平时,Q1、Q4导通,B通道输出高电平,Q2截止,C通道输出高电平,Q3导通,D通道输出高电平48V,由于C2两端电压14V,所以Q3的导通使电容抬升了VDD的电压,即电容C2的正极电压位62V左右,经过三极管Q4、二极管D1到达Q3的栅极,电容C2起到了自举抬升电压的作用,使Q3持续导通。
(2) 当V1输入低电平时,Q1、Q4截止,B通道输出低电平,Q2导通,Q2的导通为Q3的栅极提供放电电路(栅极电压通过Q2、电阻R1放电),使得电容C2的负极电压接近0V,即D通道输出低电平。
![图片[3]-nmos高端驱动自举电路-曙光学习苑](https://www.zgqtz.com/wp-content/uploads/2024/07/2413554-1G1061022444Q.jpg)
图2 电容自举驱动NMOS电路仿真
二、MOSFET驱动电路
![图片[4]-nmos高端驱动自举电路-曙光学习苑](https://www.zgqtz.com/wp-content/uploads/2024/07/2413554-1G10610233G92.jpg)
图3 MOSFET驱动电路
(1) 当V1=V2=5V时,Q1、Q4导通,Q2截止,VCC经过D2、Q4、D1、R4到达Q3的栅极,Q3导通;Q6、Q7截止,Q8导通,Q8的导通为Q5的栅极提供放电回路,Q5截止;
(2) 当V1=V2=0V时,Q1、Q4截止,Q2导通,Q2的导通为Q3的栅极提供放电回路放电电流经过Q2、Q5到地;Q6、Q7导通,Q8截止,VCC经过Q7、电阻R1到达Q5的栅极,Q5导通。
实际应用中,保持V1、V2同相可以避免上下管同时导通。
三、推挽驱动NMOS电路
![图片[5]-nmos高端驱动自举电路-曙光学习苑](https://www.zgqtz.com/wp-content/uploads/2024/07/2413554-1G106102322P3.jpg)
图4推挽驱动NMOS电路
(1) 当V1=3.3V时,Q3导通,P1为低电平,使得Q2截止、Q4导通,Q4的导通为Q1的栅极提供放电回路,P2为低电平,Q1截止。
(2) 当V1=0V时,Q3截止,电阻R2将P1钳位在高电平,使得Q2导通、Q4截止,Q2的导通为Q1的栅极提供充电电路,P2为高电平,Q1导通。
![图片[6]-nmos高端驱动自举电路-曙光学习苑](https://www.zgqtz.com/wp-content/uploads/2024/07/2413554-1G10610230c12.jpg)
图5 推挽驱动NMOS电路仿真
- 1、 本站的文章部分内容均来源于网络,仅供大家学习与参考,如有侵权,请联系站长:QQ932926588,邮箱同号。
- 2、 本站一切资源不代表本站立场,并不代表本站赞同其观点和对其真实性负责。
- 3、 本站一律禁止以任何方式发布或转载任何违法的相关信息,访客发现请向站长举报
- 4、 本站资源大多存储在云盘,如发现链接失效,请联系我们会第一时间更新。



























暂无评论内容