电动车充电器电路图,电路由整流电路,三极管,可控硅等组成。提供36伏输出。
电动车充电器电路图一:
![图片[1]-电动车充电器电路图-曙光学习苑](https://www.zgqtz.com/wp-content/uploads/2024/07/2006416224120842.gif)
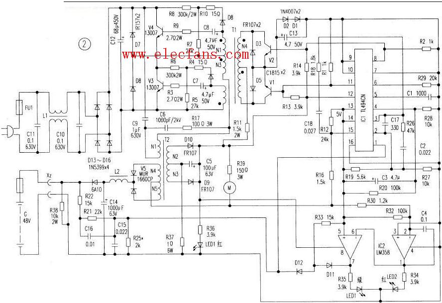
电动车充电器电路图二:
![图片[2]-电动车充电器电路图-曙光学习苑](https://www.zgqtz.com/wp-content/uploads/2024/07/200813110495963102.jpg)
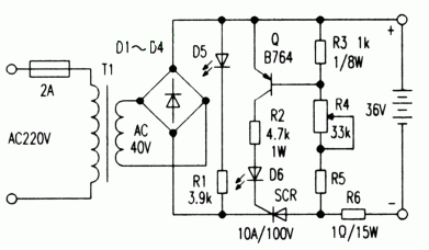
电动车充电器电路图三:
![图片[3]-电动车充电器电路图-曙光学习苑](https://www.zgqtz.com/wp-content/uploads/2024/07/20095181322313100.gif)
© 版权声明
- 1、 本站的文章部分内容均来源于网络,仅供大家学习与参考,如有侵权,请联系站长:QQ932926588,邮箱同号。
- 2、 本站一切资源不代表本站立场,并不代表本站赞同其观点和对其真实性负责。
- 3、 本站一律禁止以任何方式发布或转载任何违法的相关信息,访客发现请向站长举报
- 4、 本站资源大多存储在云盘,如发现链接失效,请联系我们会第一时间更新。
THE END








![[资料] 分享一个不错的200瓦单声道音频放大器板-曙光学习苑](https://www.zgqtz.com/wp-content/uploads/2022/10/poYBAGL66YiAMFDHAAD2R8msvis265.png)
![[资料] LM3886低音炮放大器的资料分享-曙光学习苑](https://www.zgqtz.com/wp-content/uploads/2022/10/pYYBAGL65-GAX_4pAABeUVGu6Ao016.png)

![[资料] 分享一个不错的家庭自动控制解决方案-曙光学习苑](https://www.zgqtz.com/wp-content/uploads/2022/10/poYBAGL65ayAHtaCAAGUnpJLAhI307.png)





![[资料] 分享一个不错的电压逆变器项目-曙光学习苑](https://www.zgqtz.com/wp-content/uploads/2022/10/poYBAGL5kPGAd9I4AASTW6QergI692.png)

![[资料] 使用LM3914制作LED电池电量指示器-曙光学习苑](https://www.zgqtz.com/wp-content/uploads/2022/10/poYBAGL65reAdANMAAH91gy6FNc226.png)
![[资料] 8通道继电器模块资料-曙光学习苑](https://www.zgqtz.com/wp-content/uploads/2022/10/pYYBAGL6572AO8v6AADFZ9x28Jo689.jpg)

![[资料] 可以控制两个直流电机的电机驱动器-曙光学习苑](https://www.zgqtz.com/wp-content/uploads/2022/10/pYYBAGL66xCAfMCUAABfTBq-X18537.png)

![[资料] 使用ne555和cd4017的警用闪光灯-曙光学习苑](https://www.zgqtz.com/wp-content/uploads/2022/10/pYYBAGL65t6ABCslAAAvYa0jGrY734.png)
![[资料] 智能开关的工作原理-曙光学习苑](https://www.zgqtz.com/wp-content/uploads/2022/10/poYBAGL65leAJXcAAAEgdIir8a0835.jpg)


暂无评论内容