发电机自动启停电路图(一)
启动停止电路图_启动停止按钮接线图:FR—热继电器、SB 1–点动停止开关、SB2–点动启动开、关KM–接触器线圈KM–接触器常开触点
![图片[1]-发电机自动启停电路图大全(接触器/水泵启停/电动机)-曙光学习苑](https://www.zgqtz.com/wp-content/uploads/2022/10/2755779-1G109150252K1.jpg)
![图片[2]-发电机自动启停电路图大全(接触器/水泵启停/电动机)-曙光学习苑](https://www.zgqtz.com/wp-content/uploads/2022/10/2755779-1G109150241E8.jpg)
![图片[3]-发电机自动启停电路图大全(接触器/水泵启停/电动机)-曙光学习苑](https://www.zgqtz.com/wp-content/uploads/2022/10/2755779-1G10915022Q49.jpg)
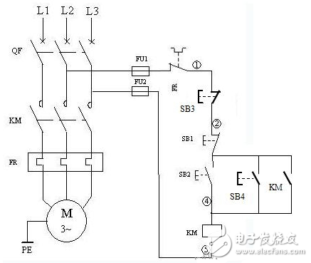
发电机自动启停电路图(二)
工作原理电路图
电路图为电动机2地控制电路。图中设SB1、SB2为甲地启停控制按钮;SB3、SB4为乙地启停控制按钮,2组按钮共同控制电动机M。
多地控制电路特征是:停止按钮串联,启动按钮并联。
![图片[4]-发电机自动启停电路图大全(接触器/水泵启停/电动机)-曙光学习苑](https://www.zgqtz.com/wp-content/uploads/2022/10/pIYBAFrysU6AHzUfAADvexeQqEY953.png)
电路工作原理
启动:按下甲乙两地(任意)启动按钮SB2或SB4→KM线圈得电吸合→其常开辅助触头闭合自锁→其主触头闭合接通电动机主回路→电动机M运转。
停止:按下甲乙两地(任意)停止按钮SB1或SB3→KM线圈失电释放→其常开辅助自锁触头断开自锁回路→其主触头释放断开电动机主回路→电动机M停止运转。
发电机自动启停电路图(三)
水泵启停控制电路图如图所示。
![图片[5]-发电机自动启停电路图大全(接触器/水泵启停/电动机)-曙光学习苑](https://www.zgqtz.com/wp-content/uploads/2022/10/pIYBAFrysUWASNuGAAPfs3rOgJ0125.png)
© 版权声明
- 1、 本站的文章部分内容均来源于网络,仅供大家学习与参考,如有侵权,请联系站长:QQ932926588,邮箱同号。
- 2、 本站一切资源不代表本站立场,并不代表本站赞同其观点和对其真实性负责。
- 3、 本站一律禁止以任何方式发布或转载任何违法的相关信息,访客发现请向站长举报
- 4、 本站资源大多存储在云盘,如发现链接失效,请联系我们会第一时间更新。
THE END







![[资料] 分享一个不错的200瓦单声道音频放大器板-曙光学习苑](https://www.zgqtz.com/wp-content/uploads/2022/10/poYBAGL66YiAMFDHAAD2R8msvis265.png)
![[资料] LM3886低音炮放大器的资料分享-曙光学习苑](https://www.zgqtz.com/wp-content/uploads/2022/10/pYYBAGL65-GAX_4pAABeUVGu6Ao016.png)

![[资料] 分享一个不错的家庭自动控制解决方案-曙光学习苑](https://www.zgqtz.com/wp-content/uploads/2022/10/poYBAGL65ayAHtaCAAGUnpJLAhI307.png)





![[资料] 分享一个不错的电压逆变器项目-曙光学习苑](https://www.zgqtz.com/wp-content/uploads/2022/10/poYBAGL5kPGAd9I4AASTW6QergI692.png)

![[资料] 使用LM3914制作LED电池电量指示器-曙光学习苑](https://www.zgqtz.com/wp-content/uploads/2022/10/poYBAGL65reAdANMAAH91gy6FNc226.png)
![[资料] 8通道继电器模块资料-曙光学习苑](https://www.zgqtz.com/wp-content/uploads/2022/10/pYYBAGL6572AO8v6AADFZ9x28Jo689.jpg)

![[资料] 可以控制两个直流电机的电机驱动器-曙光学习苑](https://www.zgqtz.com/wp-content/uploads/2022/10/pYYBAGL66xCAfMCUAABfTBq-X18537.png)

![[资料] 使用ne555和cd4017的警用闪光灯-曙光学习苑](https://www.zgqtz.com/wp-content/uploads/2022/10/pYYBAGL65t6ABCslAAAvYa0jGrY734.png)
![[资料] 智能开关的工作原理-曙光学习苑](https://www.zgqtz.com/wp-content/uploads/2022/10/poYBAGL65leAJXcAAAEgdIir8a0835.jpg)


暂无评论内容