TP4056是一款完整的单节锂离子电池采用恒定电流/恒定电压线性充电器。其底部带有散热片的SOP8封装与较少的外部元件数目使得TP4056成为便携式应用的理想选择。TP4056可以适合USB电源和适配器电源工作。由于采用了内部PMOSFET架构,加上防倒充电路,所以不需要外部隔离二极管。热反馈可对充电电流进行自动调节,以便在大功率操作或高环境温度条件下对芯片温度加以限制。充电电压固定于4.2V,而充电电流可通过一个电阻器进行外部设置。当充电电流在达到最终浮充电压之后降至设定值1/10时,TP4056将自动终止充电循环。当输入电压(交流适配器或USB电源)被拿掉时,TP4056自动进入一个低电流状态,将电池漏电流降至2uA以下。TP4056在有电源时也可置于停机模式,以而将供电电流降至55uA。TP4056的其他特点包括电池温度检测、欠压闭锁、自动再充电和两个用于指示充电、结束的LED状态引脚。
特点
·高达1000mA的可编程充电电流 ;
·无需MOSFET、检测电阻器或隔离二极管 ;
·用于单节锂离子电池、采用SOP封装的完整线性充电器 ;
·恒定电流/恒定电压操作,并具有可在无过热危险的情况下实现充电速率最大化的热调节功能;
·精度达到±1.5%的4.2V预设充电电压;
·用于电池电量检测的充电电流监控器输出;
·自动再充电;
·充电状态双输出、无电池和故障状态显示;
·C/10充电终止;
·待机模式下的供电电流为55uA;
·2.9V涓流充电器件版本;
·软启动限制了浪涌电流;
·电池温度监测功能;
·采用8引脚SOP-PP封装。
![图片[1]-锂电池充电芯片TP4056的保护电路设计-曙光学习苑](https://www.zgqtz.com/wp-content/uploads/2022/11/75af7a42-4ada-11ed-a3b6-dac502259ad0-6.png)
这个TP4056datasheet的原理图还是有些不清楚的地方,所以分享下自己的原理图。
![图片[2]-锂电池充电芯片TP4056的保护电路设计-曙光学习苑](https://www.zgqtz.com/wp-content/uploads/2022/11/75ce7bf4-4ada-11ed-a3b6-dac502259ad0-6.png)
![图片[3]-锂电池充电芯片TP4056的保护电路设计-曙光学习苑](https://www.zgqtz.com/wp-content/uploads/2022/11/75ffee3c-4ada-11ed-a3b6-dac502259ad0-5.png)
见下:如何改变充电电流:大家可以看到原理图上的R14,通过调节 这个电阻的大小,可以改变充电电流的大家。另附一张充电电流与R14的关系表给各位。
![图片[4]-锂电池充电芯片TP4056的保护电路设计-曙光学习苑](https://www.zgqtz.com/wp-content/uploads/2022/11/762068e2-4ada-11ed-a3b6-dac502259ad0-5.jpg)
说几点在设计时候的注意事项:
1.TP4056的充电电流最好保持在电池容量的0.37C,也就是容量的0.37倍,比如1000mAh的电池,充电电流400mA这样就够了。过快的充电速度,将导致充电效果很差,冲完了电池电压就掉很多。
2.如果TP4056的输入电压过高,比如5.2甚至5.5V,会造成充电电流不足1000mAh,这是正常的。电压高了,芯片发热会自动减少充电电流,不至于烧毁芯片。
3.另外,芯片在工作中60摄氏度左右的发热是正常的,毕竟它的充电电流很大。(PS:如果有条件,可以采用8*8mm的铝散热片+3M导热贴,增加芯片散热。
最后,在TP4056充电电路基础上增加过充电过放电保护电路,更好地保护充电电池。
![图片[5]-锂电池充电芯片TP4056的保护电路设计-曙光学习苑](https://www.zgqtz.com/wp-content/uploads/2022/11/763bcbf0-4ada-11ed-a3b6-dac502259ad0-4.png)
![图片[6]-锂电池充电芯片TP4056的保护电路设计-曙光学习苑](https://www.zgqtz.com/wp-content/uploads/2022/11/766478ca-4ada-11ed-a3b6-dac502259ad0-4.png)
过充电保护:正常状态下,对电池进行充电,如果使VDD端电压升高超过过电压充电保护阈值VOC,且持续时间超过过电压充电保护延迟时间tOC,则DW01F将使充电控制端COUT由高电平转为VM端电平(低电平),从而使外接充电控制N-MOS管Q1关闭,充电回路被“切断”,即DW01F进入过电压充电保护状态。
过放电保护:正常状态下,如果电池放电使VDD端电压降低至过电压放电保护阈值VOD,且持续时间超过过电压放电保护延迟时间tOD,则DW01F将使放电控制端DOUT由高电平转为VSS端电平( 低电平),从而使外接放电控制N-MOS管Q2 关闭, 放电回路被“切断”,即DW01F进入过电压放电保护状态。 同时,VM端电压将通过内部电阻RVMD被上拉到VDD。
过电流放电或电池短路保护:
正常状态下,通过负载对电池放电DW01F电路的VM端电压将随放电电流的增加而升高。如果放电电流增加使 VM 端电压超过过电流放电保护阈值VOI1,且持续时间超过过电流放电保护延迟时间TOI1,则DW01F进入过电流放电保护状态;如果放电电流进一步增加使VM 端电压超过电池短路保护阈值VOI2,且持续时间超过短路延迟时间TOI2,则DW01F进入电池短路保护状态。DW01F处于过电流放电/电池短路保护状态时,DOUT端将由高电平转为VSS端电平,从而使外接放电控制N-MOS管Q2关闭,放电回路被“切断” ;同时,VM端将通过内部电阻RVMS连接到VSS,放电负载取消后,VM端电平即变为VSS端电平。与DW01FA相接的MOS管选用的是8205A,两个N沟道MOS管。
参考电路如下:
![图片[7]-锂电池充电芯片TP4056的保护电路设计-曙光学习苑](https://www.zgqtz.com/wp-content/uploads/2022/11/76809faa-4ada-11ed-a3b6-dac502259ad0-3.png)
更详细的解释如下:
![图片[8]-锂电池充电芯片TP4056的保护电路设计-曙光学习苑](https://www.zgqtz.com/wp-content/uploads/2022/11/pYYBAGNMvTmAYDagAAC7rv_J4LI169-3.jpg)
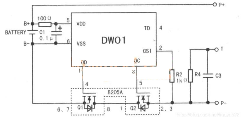
(1)正常放电
该保护板的电路如图7所示,当电芯电压在2.5V~4.3V之间时,DW01的①、③脚均输出高电平(等于供电电压),②脚电压为0V。此时8205A内的两只N沟道场效应管Q1、Q2均处于导通状态,由于8205A的导通电阻很小,相当于D、S极间直通,此时电芯的负极与保护电路的P-端相当于直接连通,保护电路有电压输出,其电流回路如下:B+→P+→负载。P-→8205A的②、③脚→8205A的①脚→8205A的⑧脚→8205A的⑥、⑦脚→B-。在此电路中,8205A内部场效应管Q1、Q2可等效为两只开关,当Q1或Q2的G极电压大于1V时,开关管导通,D、S间内阻很小(数十毫欧姆),相当于开关闭合;当G极电压小于0.7V时,开关管截止,D、S极间的导通内阻很大(几兆欧姆),相当于开关断开。
(2)过放电保护
当电芯通过外接的负载进行放电时,电芯两端的电压将慢慢降低,同时DW01内部将通过电阻R1实时监测电芯电压,当电芯电压下降到2.3V(通常称为过放保护电压)时,DWO1认为电芯已处于过放电状态,其①脚电压变为0,8205A内Q1截止,此时电芯的B-与-之间处于断开状态,即电芯的放电回路被切断,电芯将停止放电。进入过放电保护状态后,电芯电压会上升,若能上升到IC的门限电压(一般为3.1V,通常称为过放保护恢复电压),DW0的①脚恢复输出高电平,8205A内的Q1再次导通。
(3)电池充电
无论保护电路是否进入过放电状态,只要给保护电路的P+与P-端间加上充电电压,DW0经B一端检测到充电电压后,便立即从③脚输出高电平,8205A内的Q2导通,即电芯的B-保护电路的P-通,充电器对电芯充电,其电流回路如下:充电器正极→p+→B+→B-、8205A的⑥、⑦脚→8205A的⑧脚→8205A的①脚→8205A的②、③脚→P-→充电器负极。
(4)过充电保护
充电时,当电池通过充电器正常充电时,随着充电时间的增加,电芯两端的电压将逐渐升高,当电芯电压升高到4.4V(通常称为过充保护电压)时,DW01将判断电芯已处于过充电状态,便立即使③脚电压降为0V,8205A内的Q2因5脚为低电平而截止,此时电芯的B一极与保护电路的P-端之间处于断开状态并保持,即电芯的充电回路被切断,停止充电。
当保护电路的P+与P-端接上放电负载后,虽然Q2截止,但其内部的二极管正方向与放电回路的电流方向相同,所以仍可对负载放电。当电芯两端电压低于4.3V(通常称为过充保护恢复电压)时,DW01将退出过充电保护状态,③脚重新输出高电平,Q2导通,即电芯的B-端与保护电路P-端又重新接上,电芯又能进行正常的充放电。
(5)过流保护
由于MOs开关管饱和导通时也存在内阻,所以有电流流过时MOs开关管的D、S极间就会产生压降,保护控制IC会实时检测MOs开关管D、S极的电压,当电压升到IC保护门限值(一般为0.15V,称为放电过流检测电压)时,其放电保护执行端马上输出低电平,放电控制MOs开关管关断,放电回路被断开。
在图中,DW01通过接在V-端和VSS端之间的电阻R2实时检测MOs开关管上的压降。当负载电流增大时,Q1或Q2上的压降也必然增大,当该压降达到0.2V时,DWO1便判断负载电流到达了极限值,于是其①脚电压降为0V, 8205A内部的放电控制管Q1关闭,切断电芯的放电回路。实现过电流保护。
(6)过温保护
保护板上的T端口为过温保护端,与用电器的CPU相连。常见的过温保护电路较简单,就是在T端与P-端接一只NTC电阻(图中的R4),该电阻紧贴电芯安装。当用电器长时间处于大功率工作状态时(如手机长时间处于通话状态),电芯温度会上升,则NTC阻值会逐渐下降,用电器的CPU对NTC阻值进行检测,当阻值下降到CPU设定阈值时,CPU立即发出关机指令,让电池停止对其供电,只维持很小的待机电流,从而达到保护电池的目的。
![图片[9]-锂电池充电芯片TP4056的保护电路设计-曙光学习苑](https://www.zgqtz.com/wp-content/uploads/2022/11/76dc4dbe-4ada-11ed-a3b6-dac502259ad0-2.png)
提示:当保护板处于保护状态时,可以短接B-、P-端来激活保护板,这时控制芯片的充、放电保护执行端(OC、OD)均会输出高电平,让MOs开关管导通。
- 1、 本站的文章部分内容均来源于网络,仅供大家学习与参考,如有侵权,请联系站长:QQ932926588,邮箱同号。
- 2、 本站一切资源不代表本站立场,并不代表本站赞同其观点和对其真实性负责。
- 3、 本站一律禁止以任何方式发布或转载任何违法的相关信息,访客发现请向站长举报
- 4、 本站资源大多存储在云盘,如发现链接失效,请联系我们会第一时间更新。








![[资料] 分享一个不错的200瓦单声道音频放大器板-曙光学习苑](https://www.zgqtz.com/wp-content/uploads/2022/10/poYBAGL66YiAMFDHAAD2R8msvis265.png)
![[资料] LM3886低音炮放大器的资料分享-曙光学习苑](https://www.zgqtz.com/wp-content/uploads/2022/10/pYYBAGL65-GAX_4pAABeUVGu6Ao016.png)


![[资料] 分享一个不错的家庭自动控制解决方案-曙光学习苑](https://www.zgqtz.com/wp-content/uploads/2022/10/poYBAGL65ayAHtaCAAGUnpJLAhI307.png)




![[资料] 分享一个不错的电压逆变器项目-曙光学习苑](https://www.zgqtz.com/wp-content/uploads/2022/10/poYBAGL5kPGAd9I4AASTW6QergI692.png)

![[资料] 使用LM3914制作LED电池电量指示器-曙光学习苑](https://www.zgqtz.com/wp-content/uploads/2022/10/poYBAGL65reAdANMAAH91gy6FNc226.png)
![[资料] 8通道继电器模块资料-曙光学习苑](https://www.zgqtz.com/wp-content/uploads/2022/10/pYYBAGL6572AO8v6AADFZ9x28Jo689.jpg)

![[资料] 可以控制两个直流电机的电机驱动器-曙光学习苑](https://www.zgqtz.com/wp-content/uploads/2022/10/pYYBAGL66xCAfMCUAABfTBq-X18537.png)

![[资料] 使用ne555和cd4017的警用闪光灯-曙光学习苑](https://www.zgqtz.com/wp-content/uploads/2022/10/pYYBAGL65t6ABCslAAAvYa0jGrY734.png)
![[资料] 智能开关的工作原理-曙光学习苑](https://www.zgqtz.com/wp-content/uploads/2022/10/poYBAGL65leAJXcAAAEgdIir8a0835.jpg)


暂无评论内容